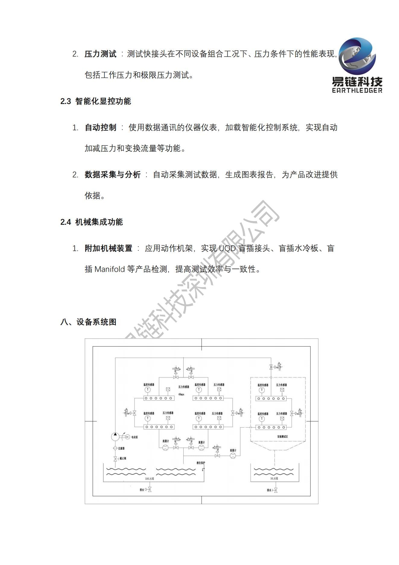
综合水压检测试验台,是专业用于UQD系列手动快插、盲插接头、M6X等各类快接头,以及管路、分水器等水冷系统组件,在不同压力、温度与流速条件下,对其密封性能、流阻特性、机械配合及整体质量进行综合检测的设备。


综合水压检测试验台,是专业用于UQD系列手动快插、盲插接头、M6X等各类快接头,以及管路、分水器等水冷系统组件,在不同压力、温度与流速条件下,对其密封性能、流阻特性、机械配合及整体质量进行综合检测的设备...
综合水压检测试验台,是专业用于UQD系列手动快插、盲插接头、M6X等各类快接头,以及管路、分水器等水冷系统组件,在不同压力、温度与流速条件下,对其密封性能、流阻特性、机械配合及整体质量进行综合检测的设备。

